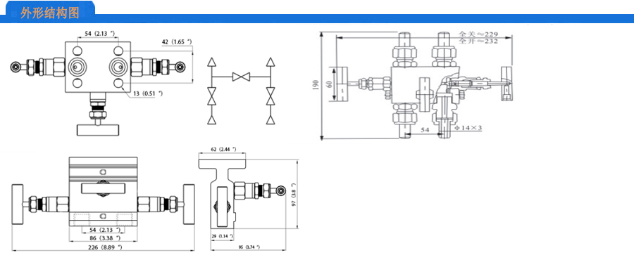
三阀组
- 三阀组是由三个互相沟通的三个阀组成。根据每个阀在系统中所起的作用可分为:左边为高压阀,右边为低压阀,中间为平衡阀。三阀组与差变送器配套使用,作用是将正、负压测量室与
- 咨询热线:0517-86913880
-
产品详情
三阀组是由三个互相沟通的三个阀组成。根据每个阀在系统中所起的作用可分为:左边为高压阀,右边为低压阀,中间为平衡阀。三阀组与差变送器配套使用,作用是将正、负压测量室与引压点导通或断开;或将正负压测量室断开或导通。先打开平衡阀,关闭二个截止阀,即可对变送器进行零点校验。
技术参数:
工作温度:
PTFE填料:-38oC 至 180oC (-100oF 至 356oF)
PPL 填料:-38oC 至 280oC (-100oF 至 536oF)
石墨填料:-24oC 至 480oC (-75oF 至 896oF)
连接端口 : 1/2NPT (F)排泄口1/4”NPT
流道孔径DN: 4.0mm ( 0.157in. )
阀体材质:316不锈钢,哈氏合金C-276 钛,及其它特殊材料
螺栓螺纹:UNF7/16-20,M10×1.5,M12×1.75
入口部分与管道规格:φ12,φ14,φ16,φ18

技术参数:
工作温度:
PTFE填料:-38oC 至 180oC (-100oF 至 356oF)
PPL 填料:-38oC 至 280oC (-100oF 至 536oF)
石墨填料:-24oC 至 480oC (-75oF 至 896oF)
连接端口 : 1/2NPT (F)排泄口1/4”NPT
流道孔径DN: 4.0mm ( 0.157in. )
阀体材质:316不锈钢,哈氏合金C-276 钛,及其它特殊材料
螺栓螺纹:UNF7/16-20,M10×1.5,M12×1.75
入口部分与管道规格:φ12,φ14,φ16,φ18







