压力变送器
- SR-GPB系列压力变送器采用高性能的扩散硅传感器,其测压元件传感器感受的压力通过微处理器将物理信号转变成标准信号(通常为4~20mA)传送给显示报警仪、记录仪、调节器等二次仪表
- 咨询热线:0517-86913880
-
产品详情
SR-GPB系列压力变送器采用高性能的扩散硅传感器,其测压元件传感器感受的压力通过微处理器将物理信号转变成标准信号(通常为4~20mA)传送给显示报警仪、记录仪、调节器等二次仪表或者DCS、PLC等系统进行测量、指示和过程控制。广泛用于石油、化工、纸浆、造纸、城市煤气、钢铁、机械、造船等工业领域。
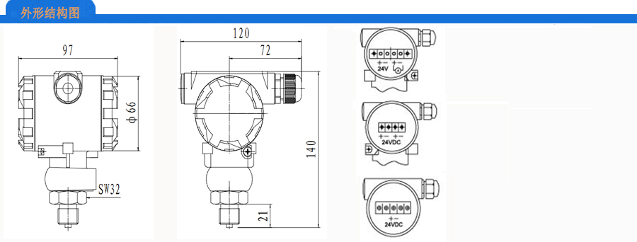
SR-GPB系列压力变送器是一款直装式仪表,无需引压管引压,可直接在管道及容器上开口安装。其借鉴国外先进技术,采用的进口零部件的设计原理,利用微处理器技术进行温度特性和非线性补偿,从而提高仪表的测量精度,改善其温度特性,具有长期稳定好,可靠性高等特点。并可以与HART手操器互通讯,通过其进行参数设置与修改及监控等。

技术参数:
测量介质:液体、气体、蒸汽
信号输出:4~20mA、 4~20mA叠加HART
传感器类型:扩散硅
稳定性:六个月±0.1 URL
整体精度:0.25%F.S、0.5%F.S
储存温度:-40~+100℃(不带液晶表头) -40~+70℃(带液晶表头)
环境温度:-0~-100%相对湿度
电源影响:小于输出量程的0.0059%/V
振动影响:在任意轴向上200Hz下振动影响为±0.05%URL/g
安装位置影响:零点漂移zui大为±0.25kPa,所有零点漂移都可校正;对量程封锁影响
零点与量程:三按键菜单开放,直接按键调整;或用HART手持器远程调整
阻尼时间常数:时间常数可调,以0.1秒递增,由zui小至16.0秒
防护等级:IP65
压力变送器选型表:
SR-GPB系列压力变送器是一款直装式仪表,无需引压管引压,可直接在管道及容器上开口安装。其借鉴国外先进技术,采用的进口零部件的设计原理,利用微处理器技术进行温度特性和非线性补偿,从而提高仪表的测量精度,改善其温度特性,具有长期稳定好,可靠性高等特点。并可以与HART手操器互通讯,通过其进行参数设置与修改及监控等。

技术参数:
测量介质:液体、气体、蒸汽
信号输出:4~20mA、 4~20mA叠加HART
传感器类型:扩散硅
稳定性:六个月±0.1 URL
整体精度:0.25%F.S、0.5%F.S
储存温度:-40~+100℃(不带液晶表头) -40~+70℃(带液晶表头)
环境温度:-0~-100%相对湿度
电源影响:小于输出量程的0.0059%/V
振动影响:在任意轴向上200Hz下振动影响为±0.05%URL/g
安装位置影响:零点漂移zui大为±0.25kPa,所有零点漂移都可校正;对量程封锁影响
零点与量程:三按键菜单开放,直接按键调整;或用HART手持器远程调整
阻尼时间常数:时间常数可调,以0.1秒递增,由zui小至16.0秒
防护等级:IP65
压力变送器选型表:
| SR-GP | 扩散硅压力变送器 |
|
B J |
标准型 精巧型 |
| 代 码 | 输出信号 |
|
E S |
4~20mA+HART协议数字通讯 4~20mA |
| 代 码 | 测量量程 |
|
1 2 3 4 5 |
-100~0~100KPa 0~0.6~1.6MPa 0~2.5~6MPa 0~10~25MPa 0~40~60MPa |
| 代 码 | 接液部分材质(其它材质订货时说明) |
| S | 本体(SRS14A)、膜盒(SUS316L)、排气螺钉(SUS316) |
| 代 码 | 安装连接螺纹 |
|
M N G |
M20*1.5 NPT1/2 G1/2 |
| 代 码 | 显示方式 |
|
N M1 M3 |
无表头 LED显示表头 LCD显示表头 |
| 代 码 | 电气接口 |
|
M N G |
M20*1.5 NPT1/2 G1/2 |
| 代 码 | 安装支架 |
|
N C |
无支架 L型支架 |
| 代 码 | 附加选项 |
|
H MF MC J L Z2 |
高温散热器 隔膜法兰 卫生型卡盘 截止阀 冷凝圈 二阀组 |
| 代 码 | 防爆要求 |
|
d a |
隔爆 本安 |
| 量程:0~□□□MPa(KPa) | |






